Disassemble procedure
Ensure no disc in the tray and keep tray close, turn off the DVD player and then disconnect the mains supply. Loosen 6 screws“A.
Ensure no disc in the tray and keep tray close, turn off the DVD player and then disconnect the mains supply. Loosen 6 screws“A.
Take off the top case.
led+key board
Loosen 4 screws “B”
Release the lock “C” at the same time Loosen 5 screws “D”
Loosen 4 screws “E”
Dismantling of decode board and power board
Loosen 5 screws as shown in figure
Loosen 4 screws “G” as shown
Dismantling of amplifier board, tuner and LED board
Loosen 4 screw “H”
Loosen 1 screws “I” as shown
Loosen 2 screws “J” as shownAm
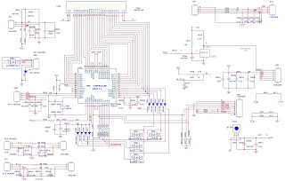
Amplifier circuit diagram
SMPS PCB and schematic
Keyboard circuit diagram












No comments:
Post a Comment