Panasonic DMR E55PL
DVD Video Recorder power board schematic diagram (Circuit Diagram)
Used
Ics: STRG6353, PS2571-Photo Coupler, TL431ALPR-Switching IC
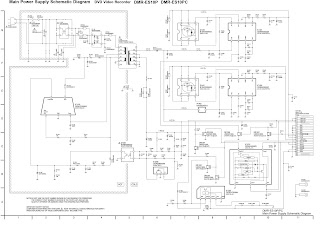
Panasonic DMR ES10P,
Panasonic DMR ES10PC Power board schematic diagram (circuit diagram)
This
model’s DVD drive is VSX 1867.
Used
Ics: CODACZH00022 (Switching IC), C0DBAKG00007 (DC-DC converter), B1DHDD000022
(REG +1.5v), B1DHDD000022 (REG.XSW+3.8V), C0DAZJH00003 (REG.DR+12V),
C0CBCYG00004 (REG.DR+5V), B3PBA0000023 (Photo Coupler)



