Sunday, 16 September 2018

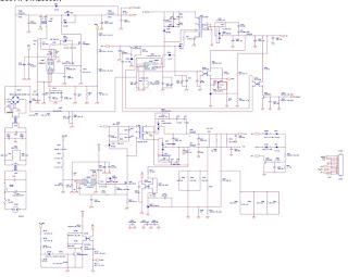
26,32 and 40 inch Skyworth LED TVs – SMPS schematic


Skyworth LED TV - 26K01HR, 32K01HR, 40K01HR – Power board schematic
715G3811P01H20003H
40K01HR 715G3885P01W20003M
40K01HR 715G3196 1 HV

LG 52LG50FD, 52LG50FD-SA-Service adjustments-service mode entry-white balance adjustment-ADC component 1 RGB adjustment and more

  These adjustments are similar to 42LB7DF Because this is not a hot chassis, it is not necessary to use an isolation transformer. However...